Zimmers.NET Files (formerly ftp.funet.fi)

/pub/cbm/schematics/cartridges/c64/diag/


Files

blackbox.bin 1999-01-27 16384
Firmware for the Blackbox cartridge.
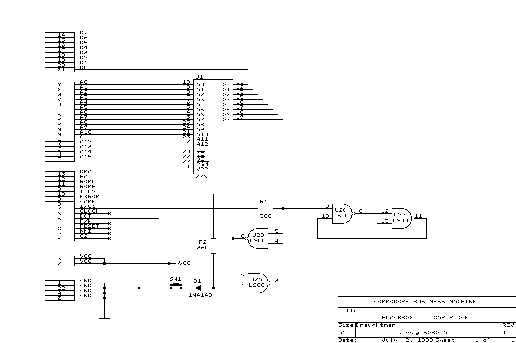
blackbox.gif 1999-01-26 12792
Reverse engineered schematic diagram of Blackbox, a Polish
cartridge that seems to contain some hardware diagnostics.
Drawn by Jerzy Sobola, July 2, 1999. Downloaded from
http://www.republika.pl/jsobola/schematy.htm.

C64DiagHarnass.pdf 2023-03-21 556743
Peter Schepers drawing of diag harnass schematics

diag-c64-4k.bin 1999-01-27 4096
Firmware for a 4-kilobyte diagnostic cartridge.
Downloaded from http://www.republika.pl/jsobola/schematy.htm.
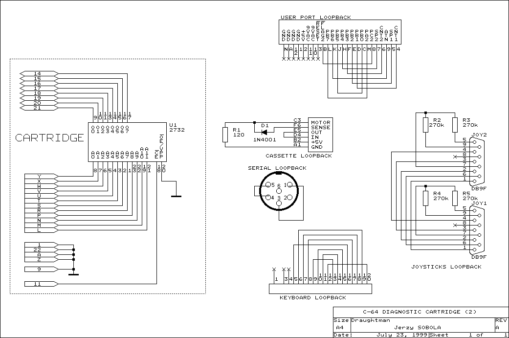
diag-c64-4k.gif 1999-07-23 16603
Reverse engineered schematic diagram of a 4-kilobyte diagnostic cartridge
and its test harnesses. Drawn by Jerzy Sobola, July 23, 1999.
Downloaded from http://www.republika.pl/jsobola/schematy.htm.

diag-c64-8k.bin 1996-03-15 8192
Firmware for a 8-kilobyte diagnostic cartridge.
Downloaded from http://www.republika.pl/jsobola/schematy.htm.
Independently provided by Raymond Carlsen.
diag-c64-8k.gif 1999-03-12 18522
Reverse engineered schematic diagram of a 8-kilobyte diagnostic cartridge
and its test harnesses. Drawn by Jerzy Sobola, March 12, 1999.
Downloaded from http://www.republika.pl/jsobola/schematy.htm.
diag-c64-8k.txt 2002-07-30 682
Raymond Carlsen's notes on the 8-kilobyte diagnostic cartridge.

Mirror sitesGeneral informationFile typesData transfer