Zimmers.NET Files (formerly ftp.funet.fi)

/pub/cbm/schematics/computers/c64/


Here are some schematic diagrams of the Commodore 64.

Subdirectories

cartridges@
Commodore 64 cartridges
drives@
Disk drives
firmware@
System firmware
manual-html/
Commodore 64 Service Manual in HTML format.
manual/
Service Manual, Model C64 Computer, Feb. 1985 PN-314001-02
servicemanuals/
Service and Tech Manuals for the C64
sx-64/
The portable variant of the Commodore 64

Files

250469-rev.A-left.gif 2009-08-18 166347
250469-rev.A-right.gif 2009-08-18 134382
Commodore 64C PCB Assembly number 250469
These are Schematic Numbers 252311 or 252312
Commodore 64c rev.A and rev.B (new design). The 64c boards have the
following texts: PCB ASSY NO. 250469 and Schematic NO. 252311 REV.A (or B on
newer boards). The difference between the two revisions is in the Gate
Array chip: The one in rev.B includes COLOR RAM. That is why only the
right half of the schematic diagram differs. The REV.A schematics
also has the part number 252312.

250469-rev.A.pdf 2026-02-23 100747
Commodore 64C PCB Assembly number 250469 drawn by Falk Brunner

250469-rev.B-corrected2.gif 2024-02-03 298608
250469-rev.B-left-corrected2.gif 2020-05-06 165847
250469-rev.B-right-corrected.png 2020-03-30 90769
250469-rev.B-right-corrected2.gif 2020-05-06 136060
250469-rev.B-right.gif 2009-08-18 129880
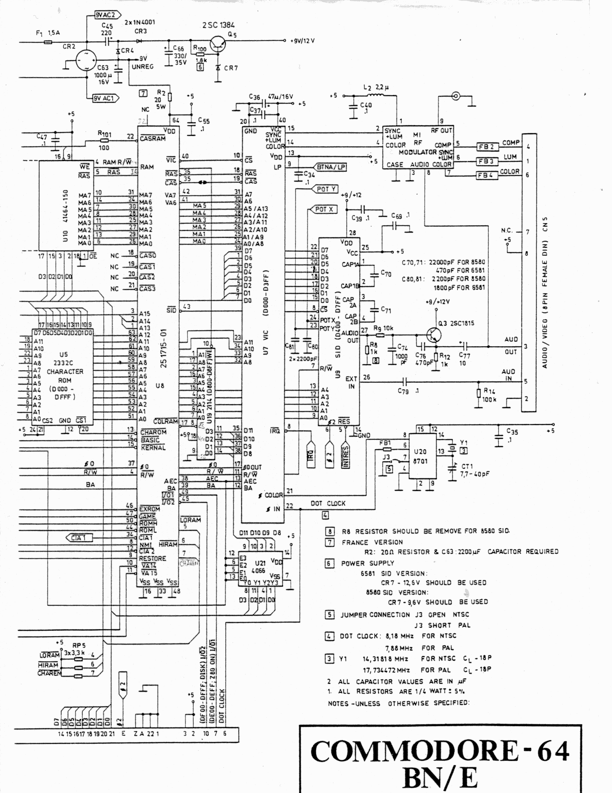
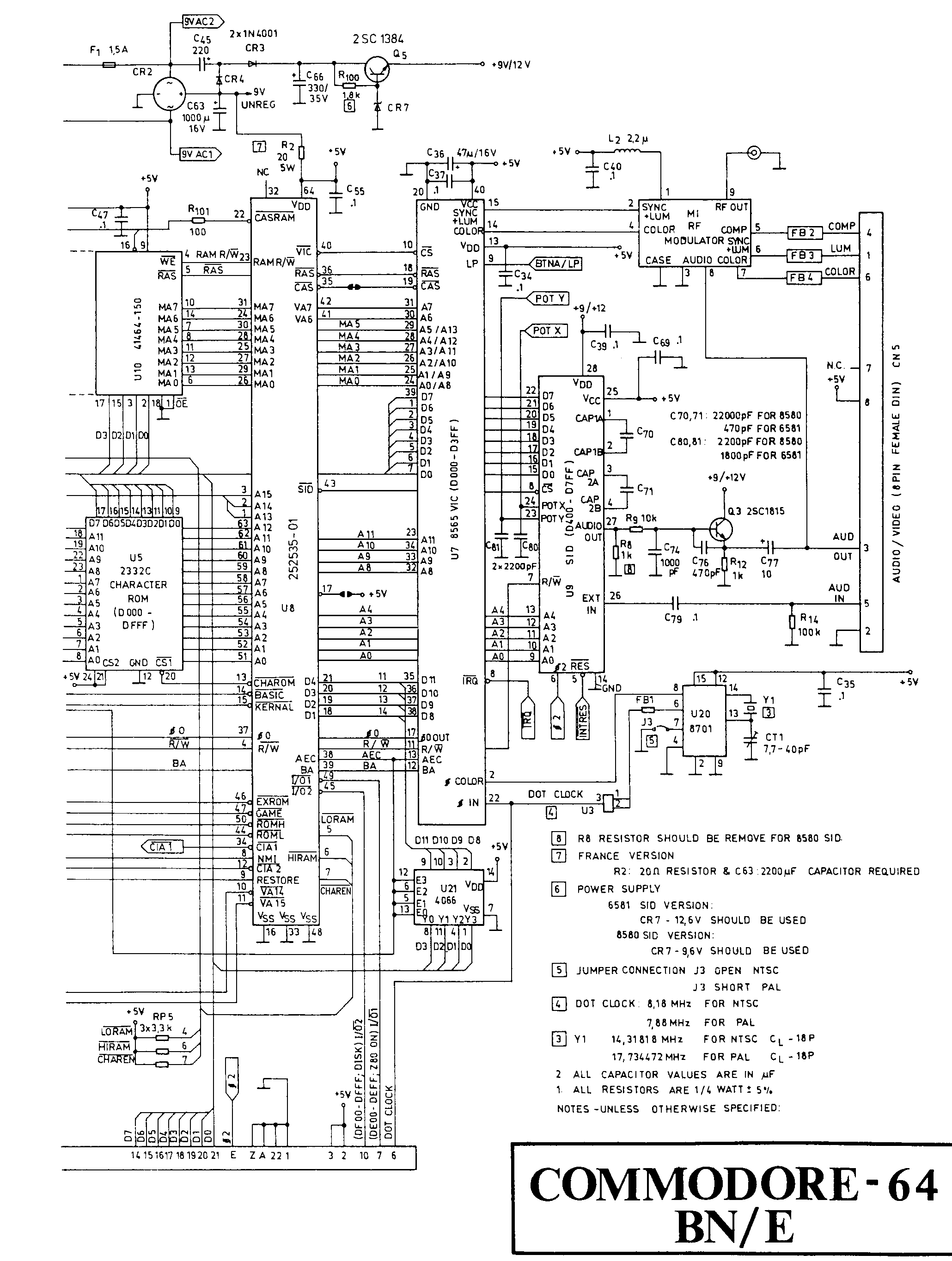
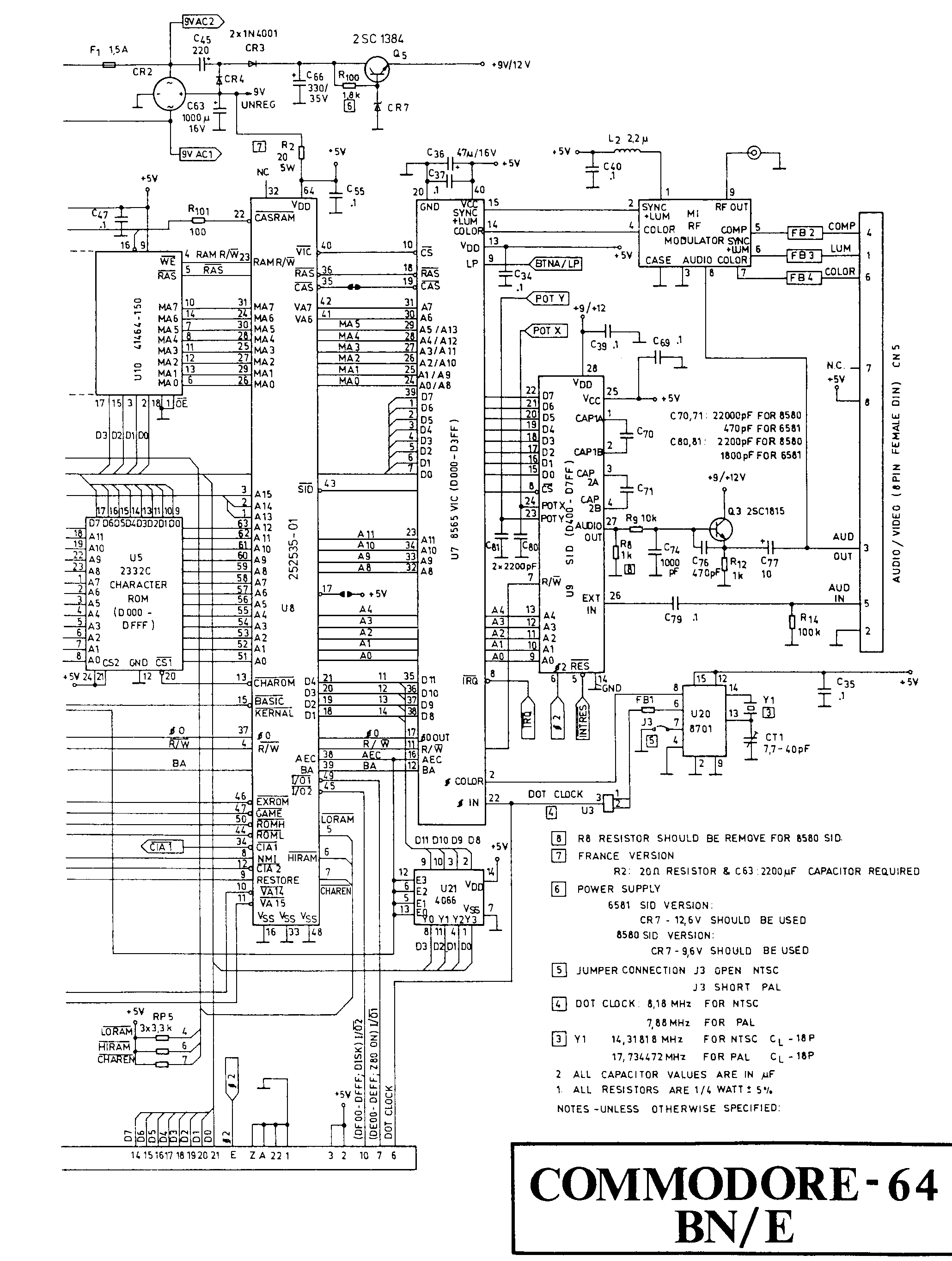
250469_bne-1.gif 2020-01-18 626038
250469_bne-2.gif 2020-01-18 498353
Another schematic of the C64 BN/E motherboard
These are Schematic Numbers 252311 or 252312

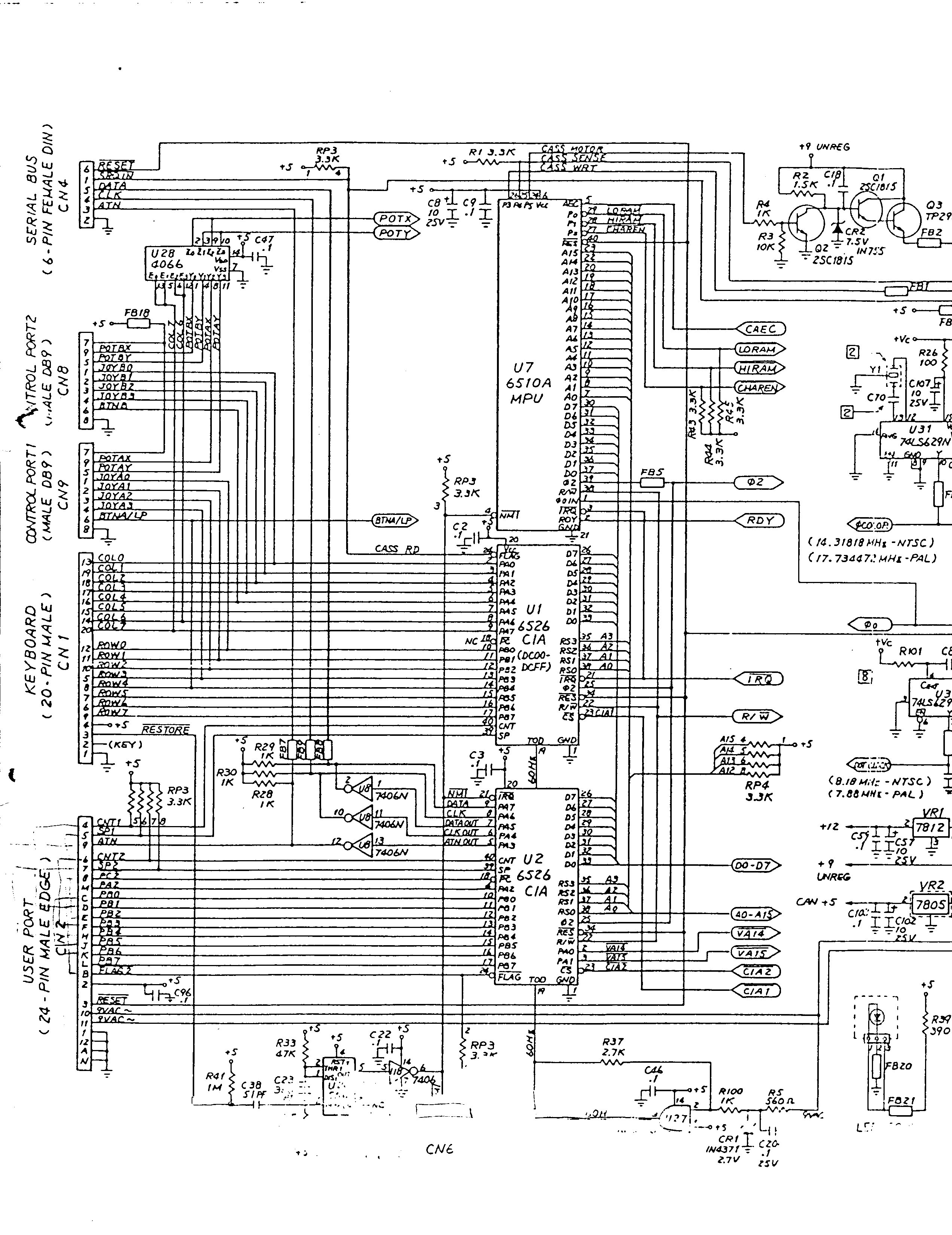
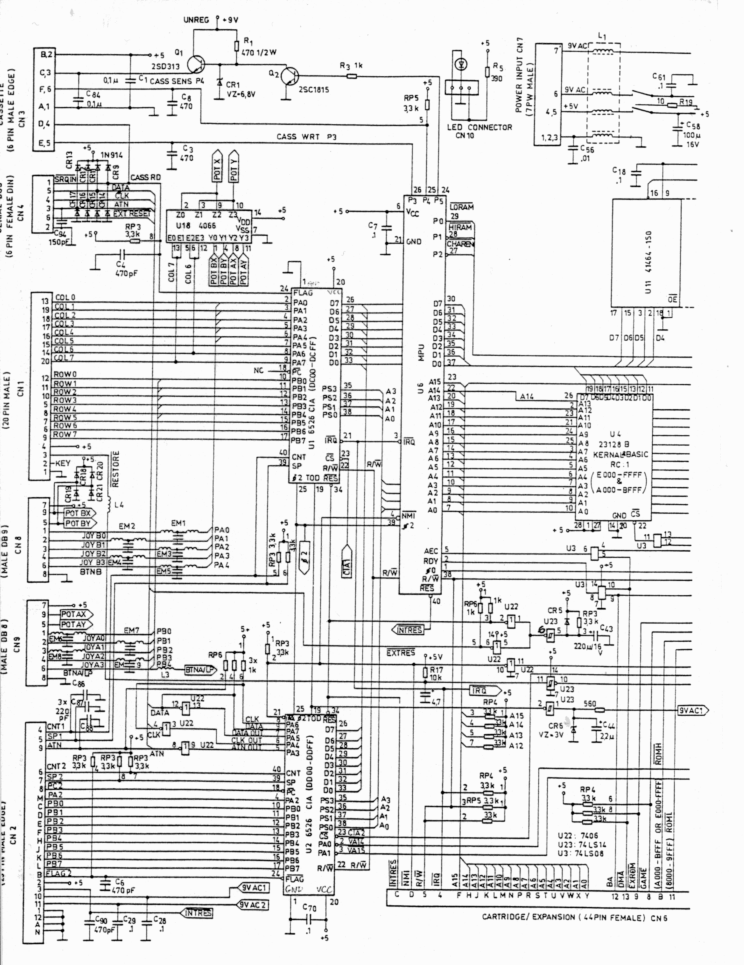
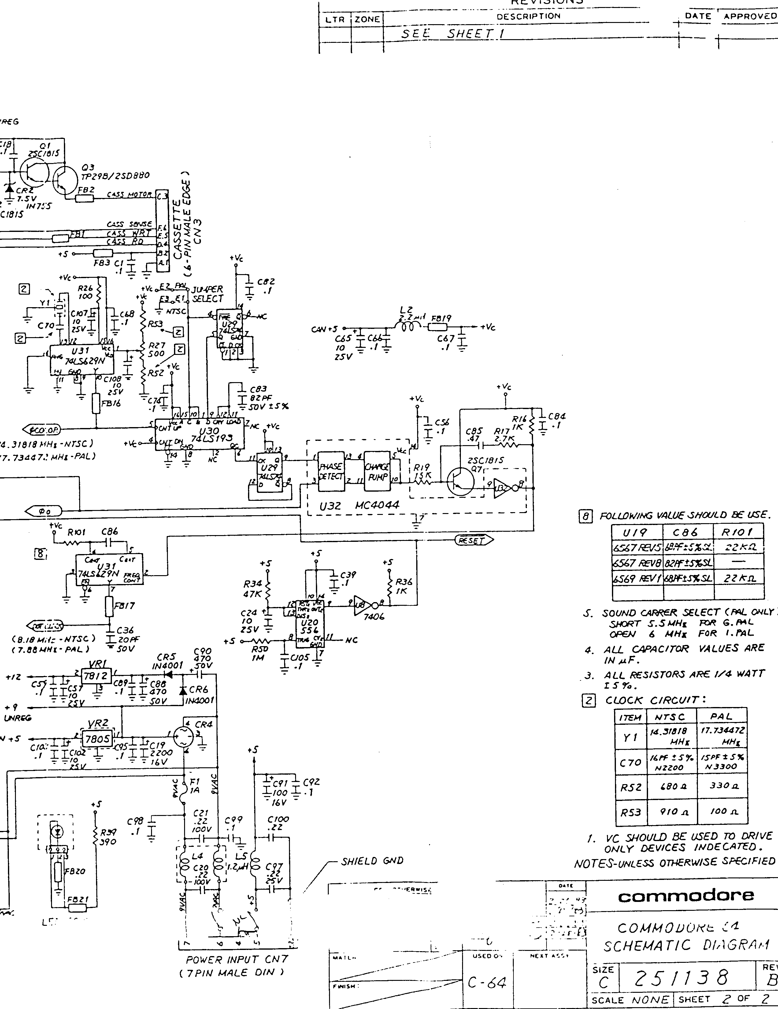
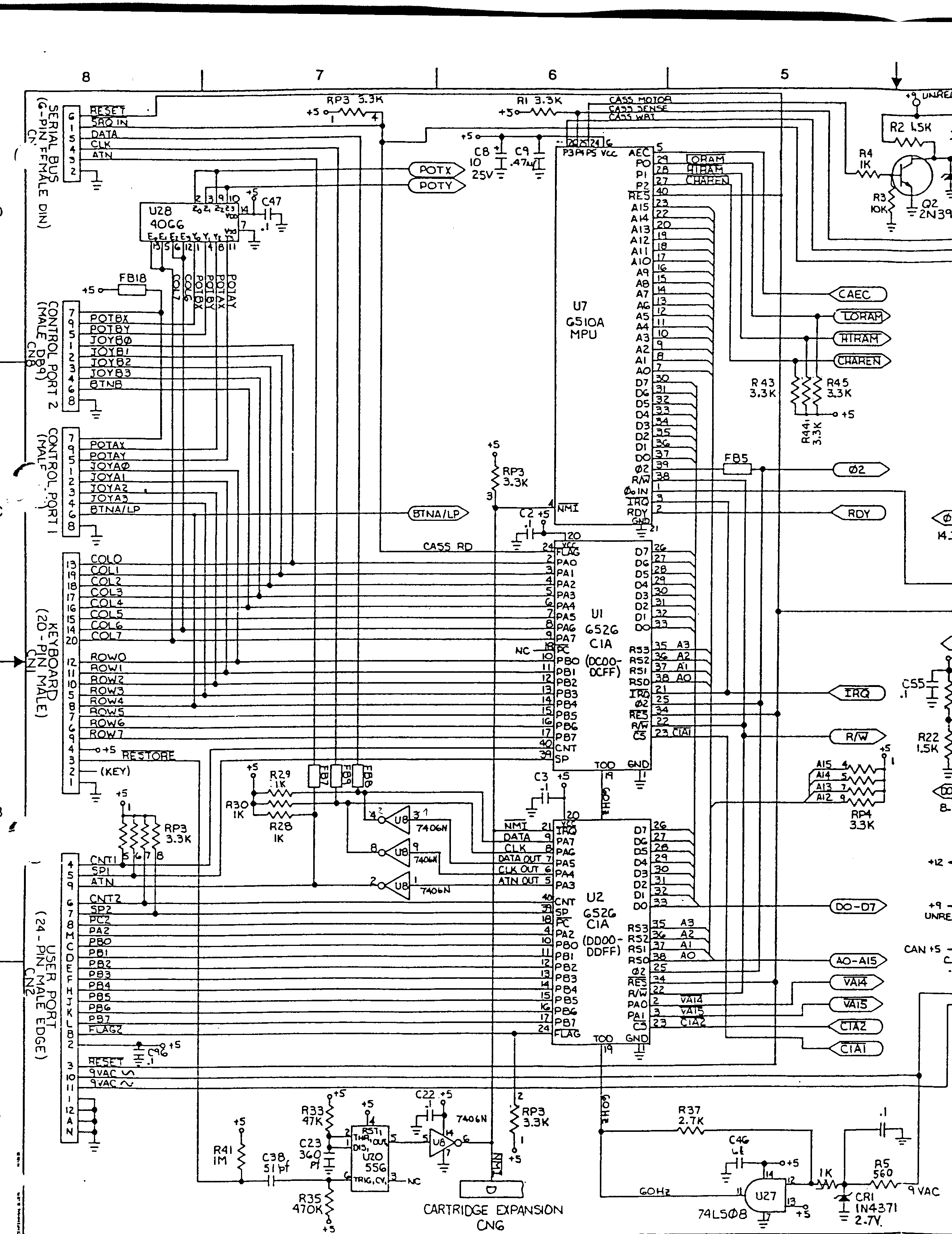
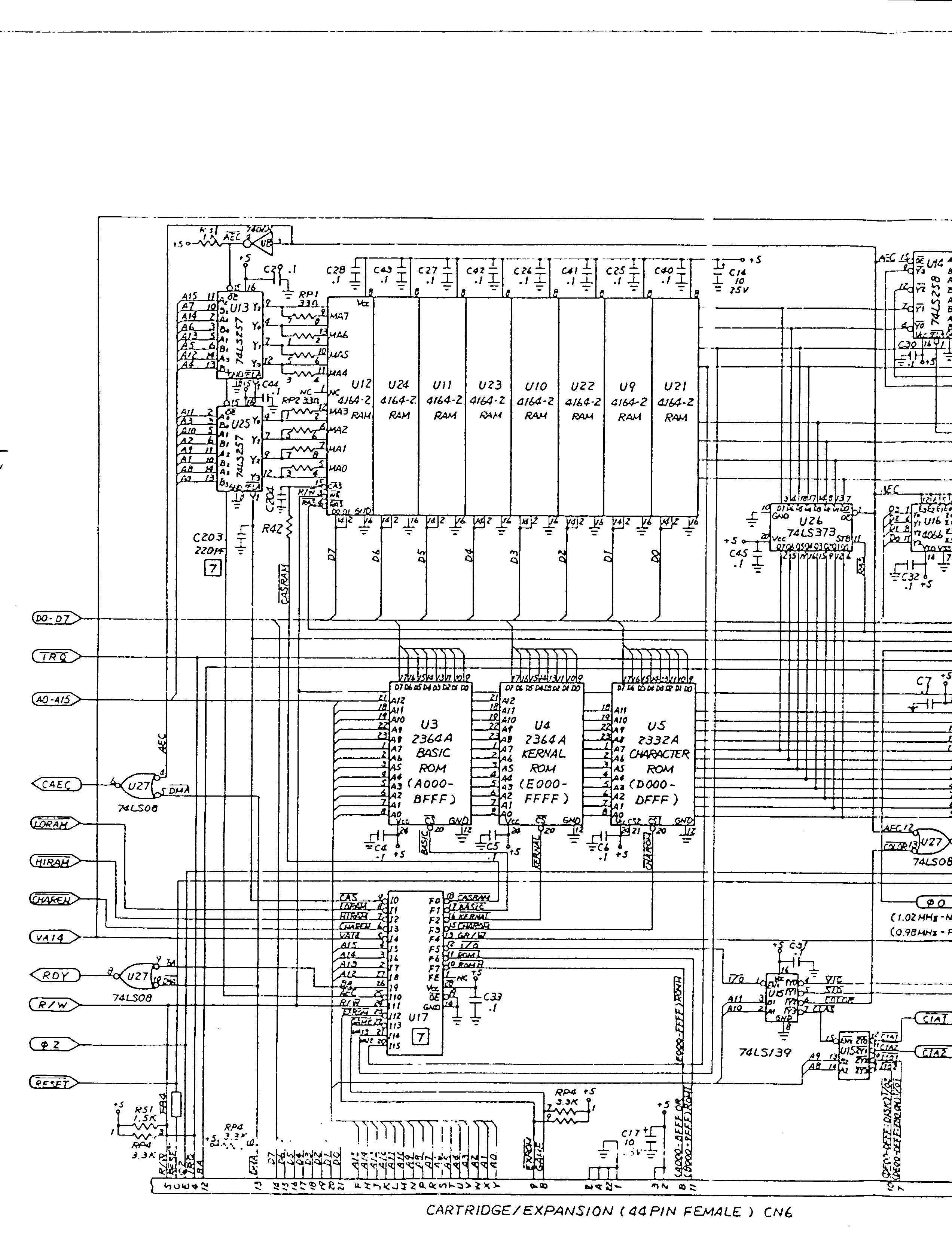
251138-1of2-combined.gif 2024-02-03 326207
251138-1of2-left.gif 2020-01-18 189727
251138-1of2-right.gif 2020-01-18 164204
251138-2of2-combined.gif 2024-02-03 309143
251138-2of2-left.gif 2020-01-18 189908
251138-2of2-right.gif 2020-01-18 134973
Commodore 64 PCB Assembly Number 250407-04 Rev A (CR)
Schematic diagram 251138 from the Service Manual

251138-sheet1of2.gif 2009-08-18 296752
251138-sheet2of2.gif 2009-08-18 291075
251469-1of2.gif 2009-08-18 284360
251469-2of2.gif 2009-08-18 235530
Commodore 64 PCB Assembly Number 250425-01 Rev B and 240441-01 Rev B-2.
Schematic diagram 251469 from the Service Manual

252278-1.gif 2009-08-18 267284
252278-2.gif 2009-08-18 230917
Commodore 64 schematic diagram 252278. This seems to be an intermediate
cost-reduced version, with 64kbÃ4 memory chips but small ROMs.
These are for PCB Assembly Number 250466 Rev B-3

252312-left.gif 2009-08-18 626038
252312-right.gif 2009-08-18 498353
A bit better scan of the 250469 REV.A, with 8 levels of gray.
For PCB Assembly Number 250469 Rev E

326100.png 2009-08-18 524126
Commodore MAX Machine schematic diagram (also known as "VICKIE", VIC-10
and VC-10). The original was very noisy; the contrast was improved after
scanning. In the scanning process, the top left and bottom right corners
were omitted by mistake. The bottom right corner has been augmented.

326106-1of2-left.gif 2020-01-18 203385
326106-1of2-right.gif 2020-01-18 165040
326106-1of2.gif 2009-08-18 263850
326106-2of2-left.gif 2020-01-18 195856
326106-2of2-right.gif 2020-01-18 196164
326106-2of2.gif 2009-08-18 281339
326106-cpu-left.gif 2009-08-18 196832
326106-cpu-right.gif 2009-08-18 117603
326106-vic-left.gif 2009-08-18 188463
326106-vic-right.gif 2009-08-18 174251
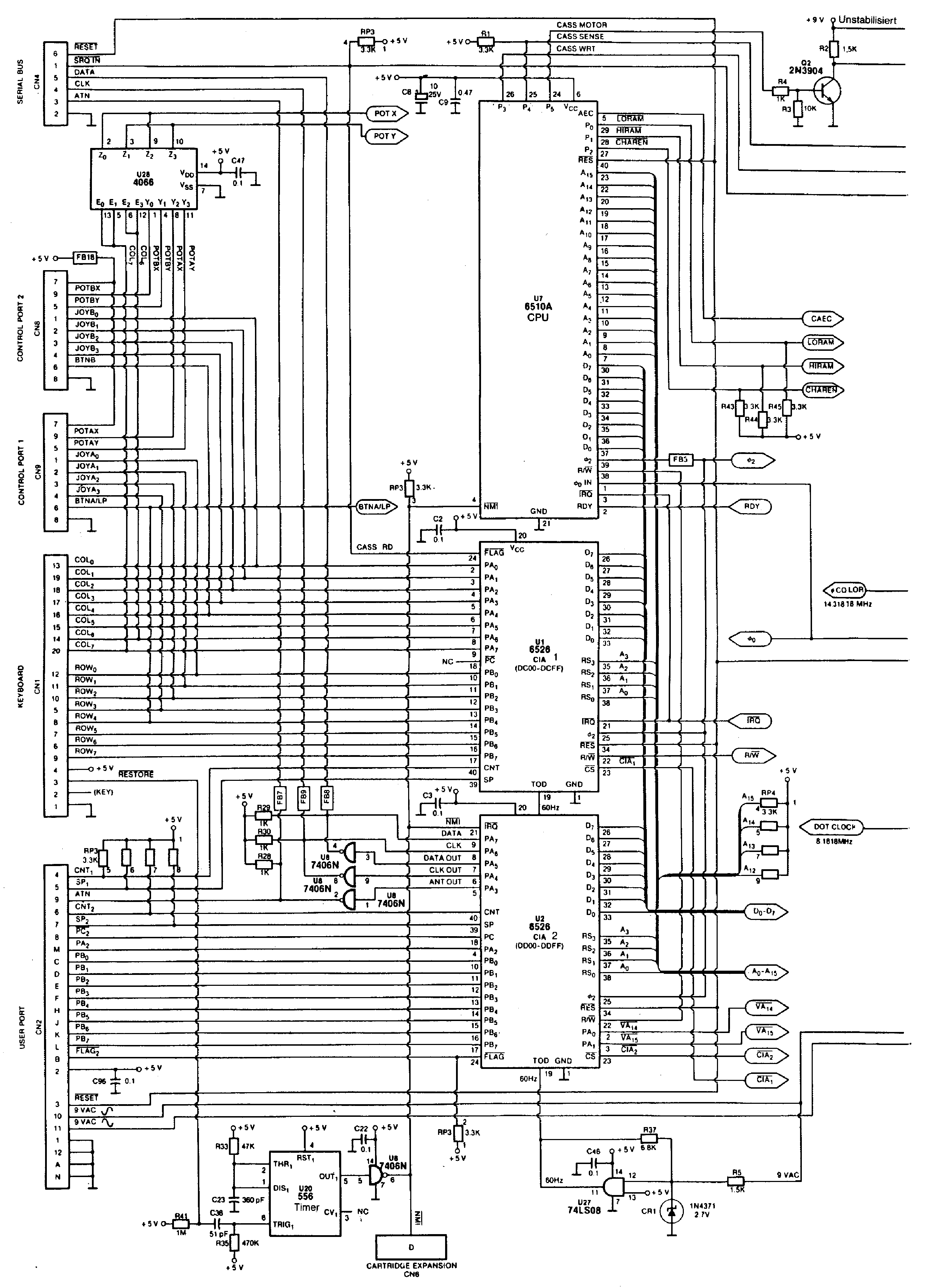
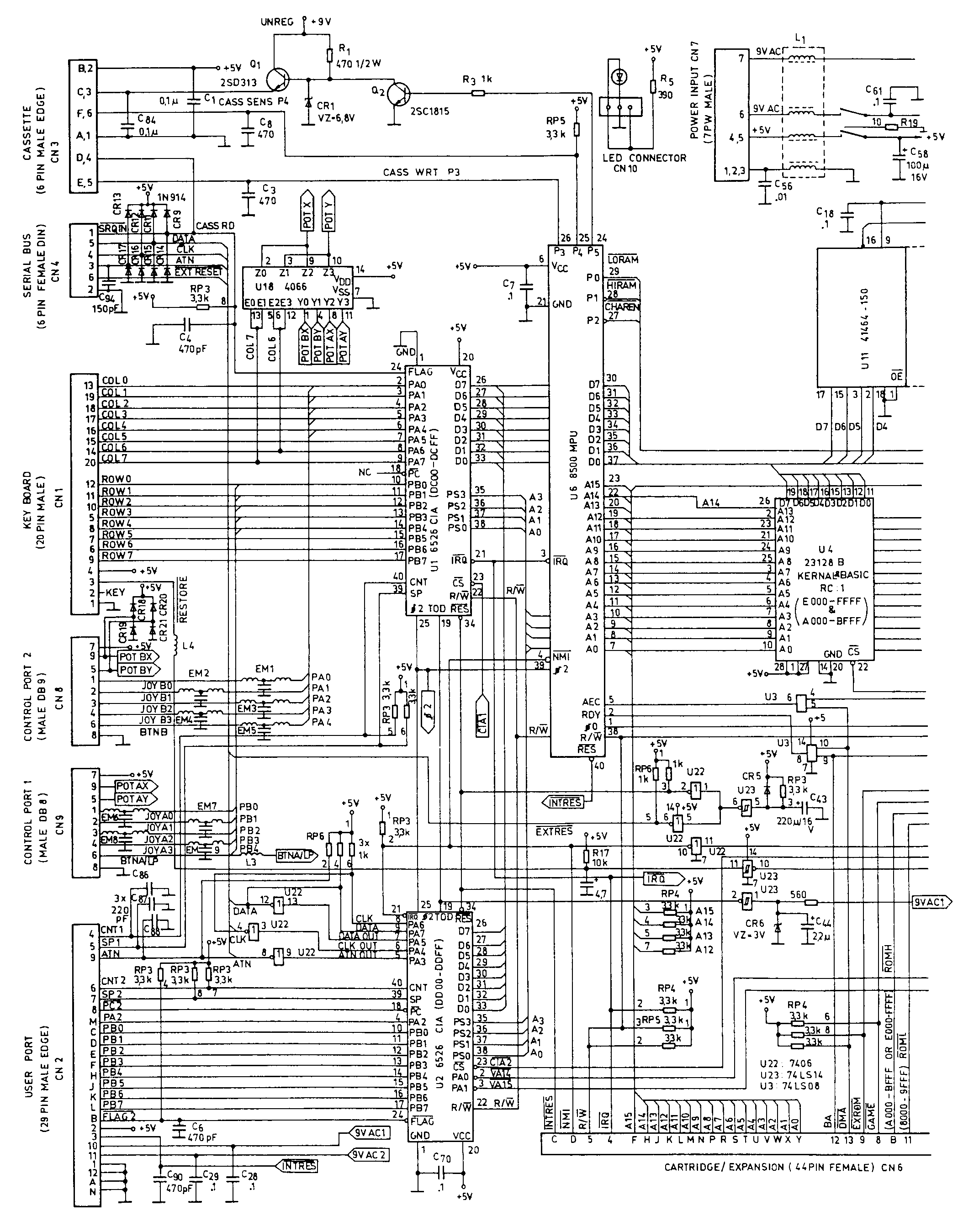
Commodore 64 PCB Assembly 326298-01 Rev A motherboards.
Schematic diagram 326106 from the Service Manual. These are
Schematics for cpu and vic scanned with 360 DPI, 2 colours. This seems
to be the same (buggy) schematic that was published in the Commodore 64
Programmer's Reference Guide, but has been partially translated into German.
The vic part contains the ROMs, SIDs, Video Controller, RAMs, Address-
decoding, Expansion Port and User Port. The cpu part contains the Port
elements (CIA), CPU, AC-Adaptor, Timer, Port Layout. All resistors are
0.25W ±5% and all capacitors are in µF, unless otherwise stated.

326298_resetcircuit.jpg 2024-11-12 79252
Reset circuit in early 326298 boards.

c64-cassette-io.gif 2009-08-18 24774
A block diagram of the Commodore 64 cassette I/O circuitry. Taken from the
SAMS C64 Troubleshooting Guide.

c64-powersupply.gif 2009-08-18 31193
A block diagram of the Commodore 64 internal power supply (how the
+12V, +9V and TOD clock signals are generated from the 9V AC input).
Taken from the SAMS C64 Troubleshooting Guide.

c64-r1.chips.gif 2009-08-18 52036
A chip location diagram of the first C64 board revision. Assy number
unknown, or maybe 251138. Taken from the SAMS C64 Troubleshooting Guide.

c64-video.gif 2009-08-18 22896
A block diagram of the video circuitry in the first C64 board revision.
Taken from the SAMS C64 Troubleshooting Guide.

c64_external_power_supply_902503-02.png 2018-06-22 384569
PS Schematic based on William Levak's, with corrections by Dave Buchan

c64_scope.mhtml 2020-07-27 1683832
C64 scope reading, from http://tech.guitarsite.de

c64bus.gif 2009-08-18 29785
A block diagram of the bus signals in the C64.

c64extps.gif 2009-08-18 39589
Commodore 64 Power Supply, part no. 902503-02, input 116V 60Hz 40W.
This is the North American power supply that can be taken apart.
The schematic was drawn by William Levak. According to him, the
transistor and the 300 ohm resistor can be removed and replaced with a
standard +5V 750mA voltage regulator, which is much more reliable.

C64SchematicP1.png 2014-11-10 10745377
Page 1, based on schematic from ProgRefGuide - by Carsten Jensen

C64SchematicP2.png 2014-11-10 9905076
Page 2, based on schematic from ProgRefGuide - by Carsten Jensen

ciasid.gif 2009-08-18 86159
CIA and SID pinouts and general data

cpupla.gif 2009-08-18 89302
6510 and PLA pinouts and general data

maxschematic.jpg 2009-08-18 964251
Schematics of the Max Machine

modulator-251025.gif 2009-08-18 120096
Modulator schematic 251025 from the Service Manual

modulator-251696.gif 2009-08-18 83802
Modulator schematic 251696 from the Service Manual

Modulator_MD6_VA3403_UE3603.jpg 2020-04-13 176509
RF Modulator partial schematics, drawn by Adrian Black

README 2021-05-10 1609
Parts and Firmware revisions for the c64

ultimax.gif 2009-08-18 78504
Commodore VIC-10, a.k.a. UltiMax a.k.a. "Vickie" schematic diagram, drawn
by Ruud Baltissen. For more information on this extremely rare machine,
see http://www.funet.fi/pub/cbm/html/c64/ultimax.html.
See also 326100.png.

Mirror sitesGeneral informationFile typesData transfer