Zimmers.NET Files (formerly ftp.funet.fi)

/pub/cbm/schematics/drives/old/8050/


Most files are from the 8050 - 8250 Dual Disk Drive Service Manual, June 1985, PN-314011-03
That manual contained many triple width fold out pages. Most had a wide enough margin so that they could be scanned as a double width page. Those that could not are designated with a "l" for left and "r" for right parts of the page. All but page 13 could be split so that no information was cut in two by the split.

Files

2003808927650142542_rs.jpg 2007-08-05 699433
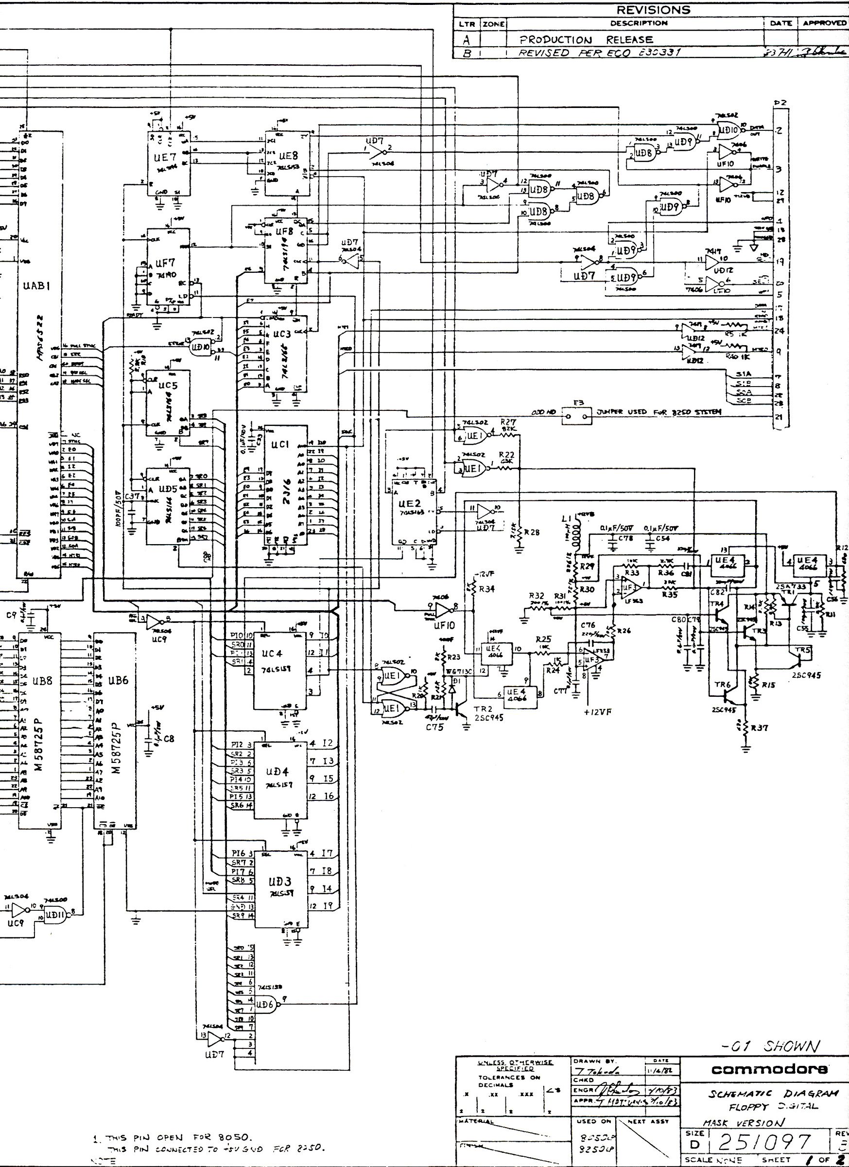
Page 1 of an 8250LP schematic
2003823495978698070_rs.jpg 2007-08-05 946223
Page 1 of an 8250LP schematic

8050--title.gif 2007-06-13 63409
Title page
8050-00.gif 2007-06-13 87687
Contents
8050-01.gif 2007-06-13 81238
Specifications
8050-02.gif 2007-06-13 101767
PCB, ROM and drive identification.
8050-03.gif 2007-06-13 38052
accessory parts
8050-04.gif 2007-06-13 103144
device number
8050-05.gif 2007-06-13 119687
Care and Maintenance / Power Up Diagnostic Codes
8050-06.gif 2007-06-13 109103
8050-07.gif 2007-06-13 48725
troubleshooting guide
8050-08.gif 2007-06-13 164925
Board Layout for Micropolis analog board 8050006
8050-09.gif 2007-06-13 146593
parts list for Micropolis analog board 8050006
8050-10.gif 2007-06-13 179484
8050-11.gif 2007-06-13 145424
8050-12.gif 2007-06-13 121710
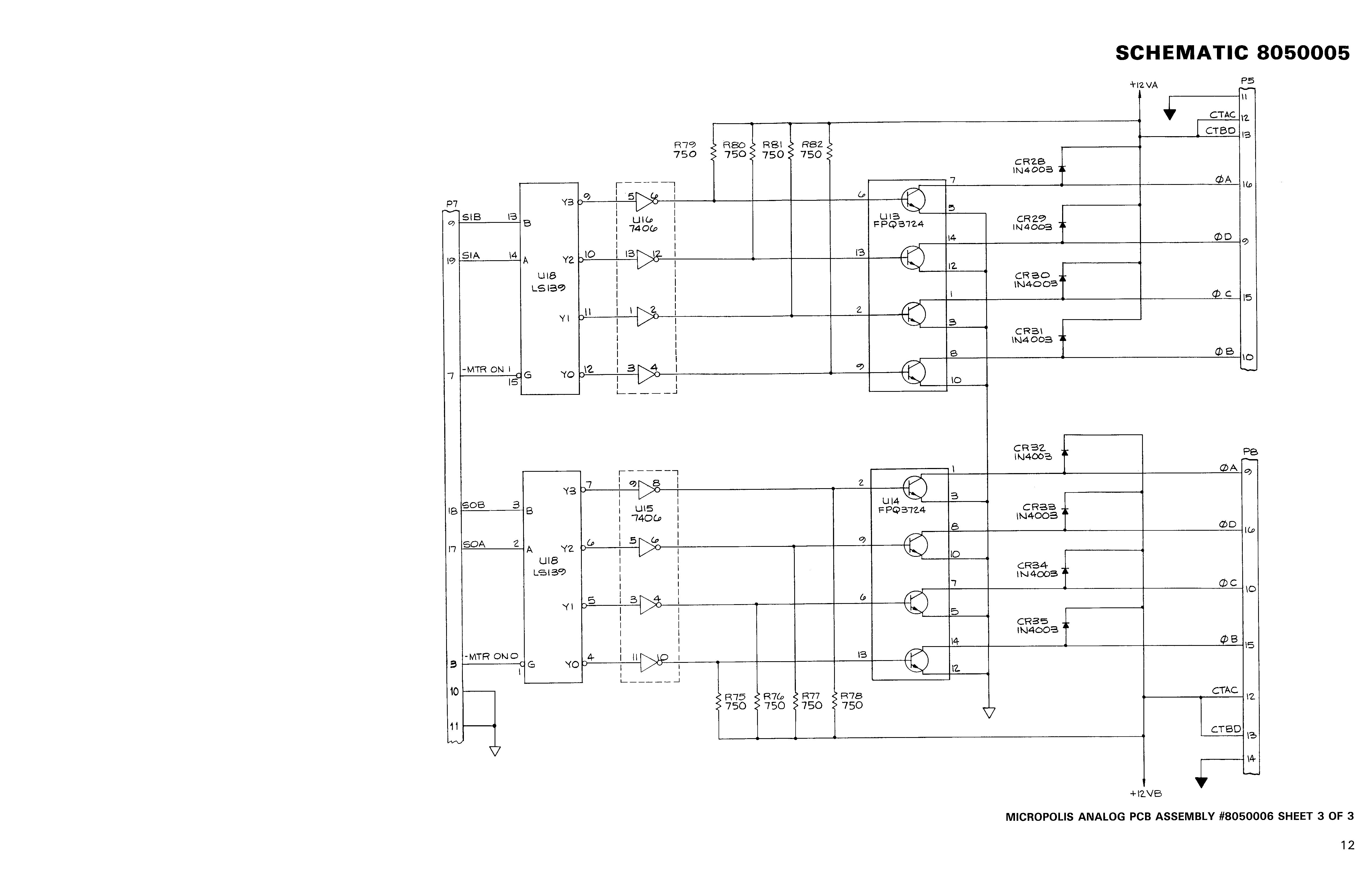
schematics for Micropolis analog board 805006
8050-13l.gif 2007-06-13 102876
8050-13r.gif 2007-06-13 292027
board layout for Tandon analog board 8050044
8050-14.gif 2007-06-13 166195
parts list for Tandon analog board 8050044
8050-15.gif 2007-06-13 183415
8050-16.gif 2007-06-13 141070
8050-17.gif 2007-06-13 122184
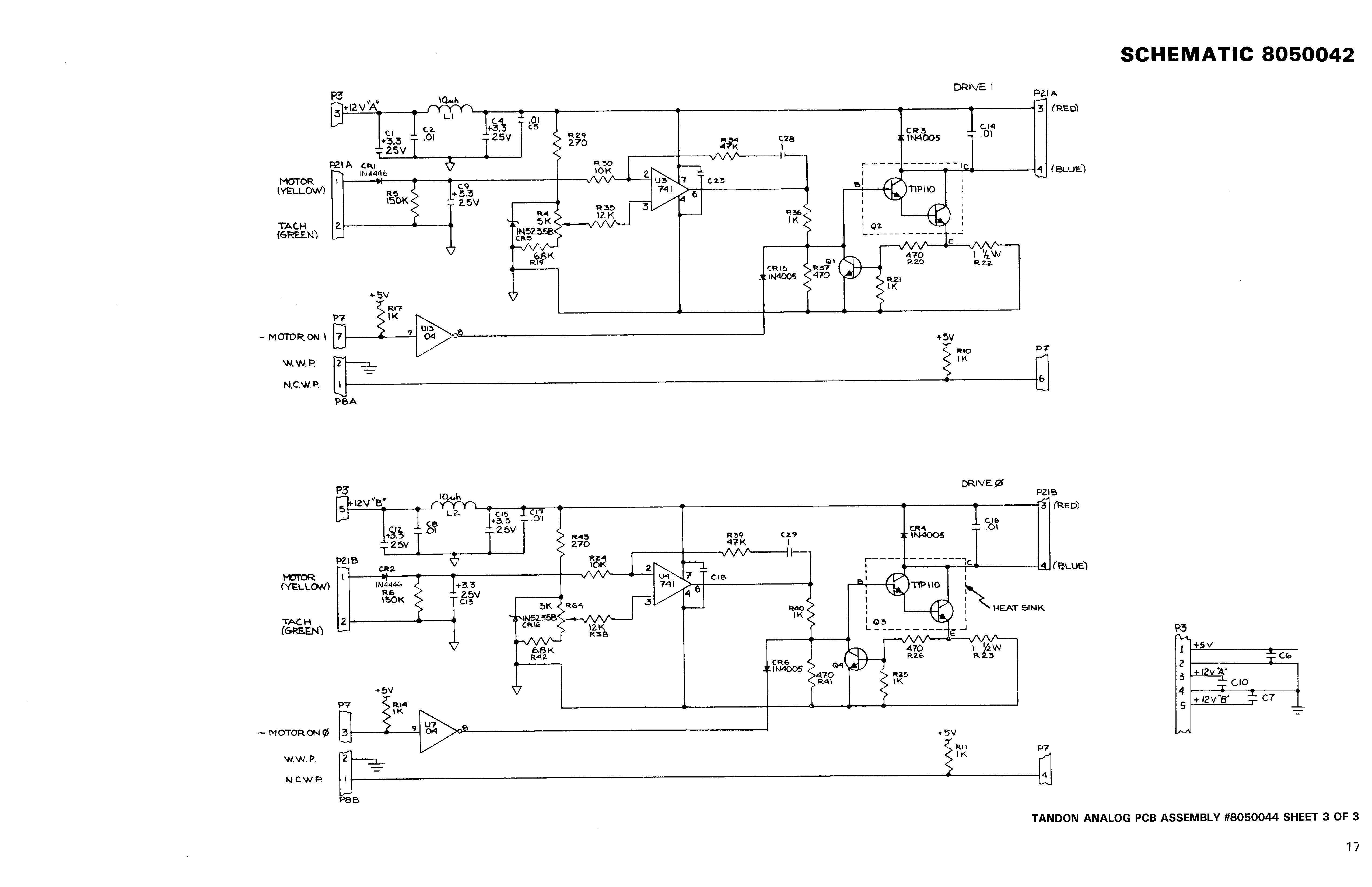
schematics for Tandon analog board 8050044
8050-18.gif 2007-06-13 265599
parts layout for MPI analog board 8250023
8050-19.gif 2007-06-13 151981
parts list for MPI analog board 8250023
8050-20.gif 2007-06-13 201015
8050-21.gif 2007-06-13 140740
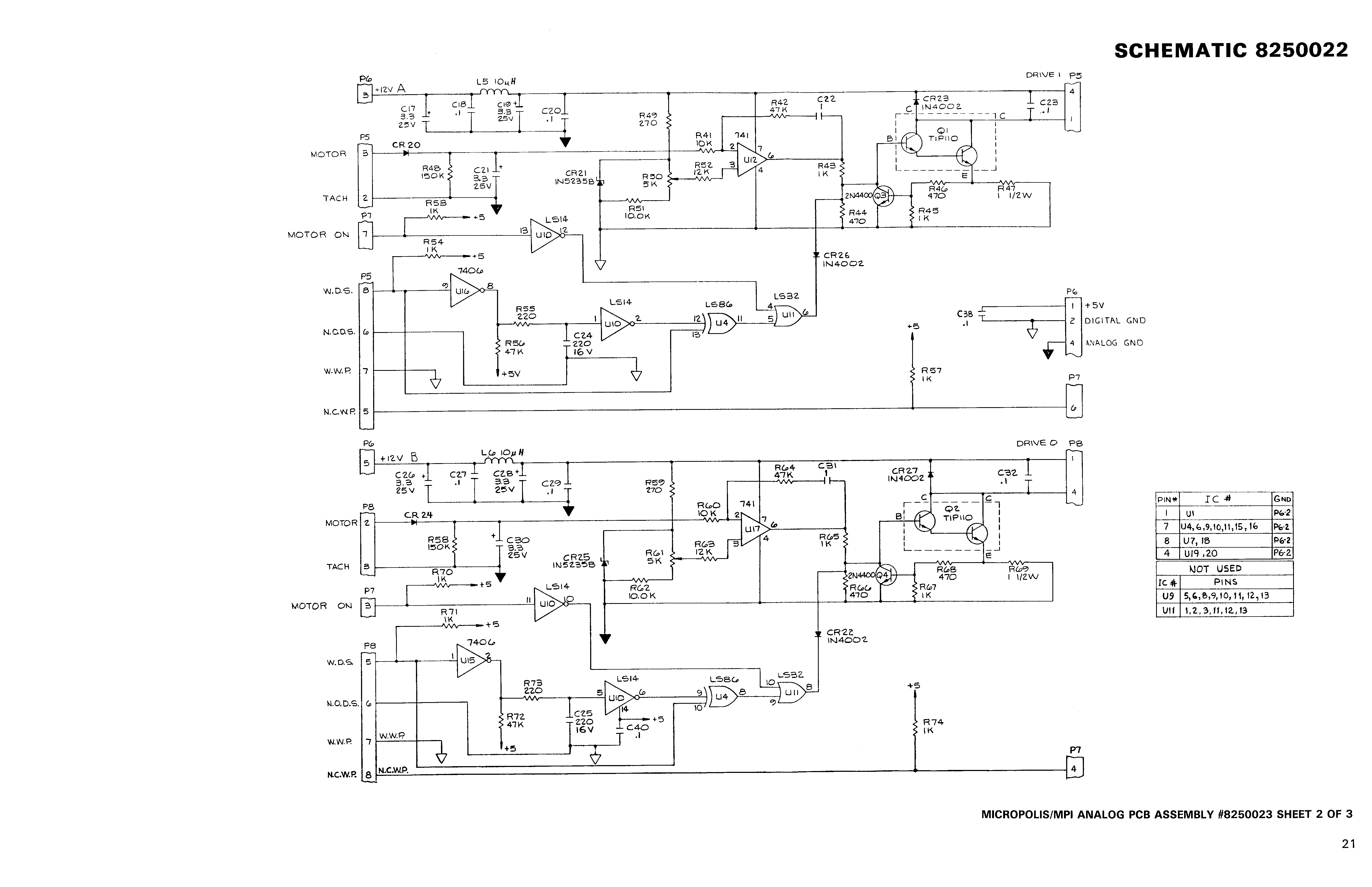
8050-22.gif 2007-06-13 112845
schematics for MPI analog board 8250023
8050-23.gif 2007-06-13 417030
board layout for digital board 8050002
8050-24.gif 2007-06-13 143384
parts list for digital board 8050002
8050-25.gif 2007-06-13 265042
8050-26.gif 2007-06-13 268545
8050-27.gif 2007-06-13 247448
schematics for digital board 8050002
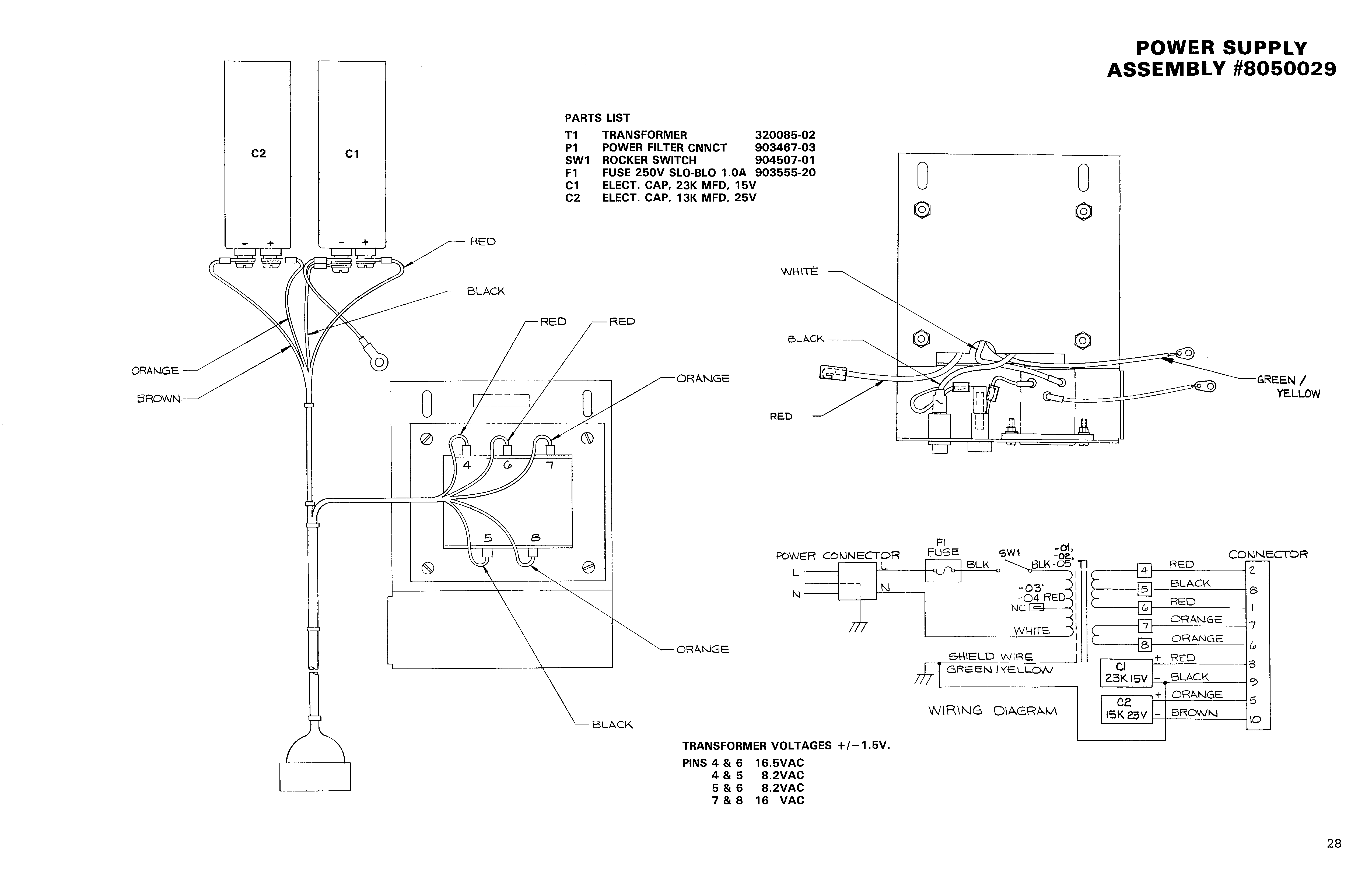
8050-28.gif 2007-06-13 139725
power supply assembly 8050029
8050-29.gif 2007-06-13 60529
resistance checks Micropolis and Micropolis Safari drives
8050-30l.gif 2007-06-13 64190
8050-30r.gif 2007-06-13 144906
Micropolis drive assemblies 8050/8250
8050-31l.gif 2007-06-13 61362
8050-31r.gif 2007-06-13 131973
Micropolis Safari drive assemblies 8050/8250
8050-32.gif 2007-06-13 55755
resistance checks Tandon drives
8050-33l.gif 2007-06-13 71593
8050-33r.gif 2007-06-13 143543
Tandon drive assemblies 8050/8250
8050-34.gif 2007-06-13 53540
resistance checks MPI drives
8050-35l.gif 2007-06-13 83127
8050-35r.gif 2007-06-13 191425
MPI drive assemblies 8050/8250
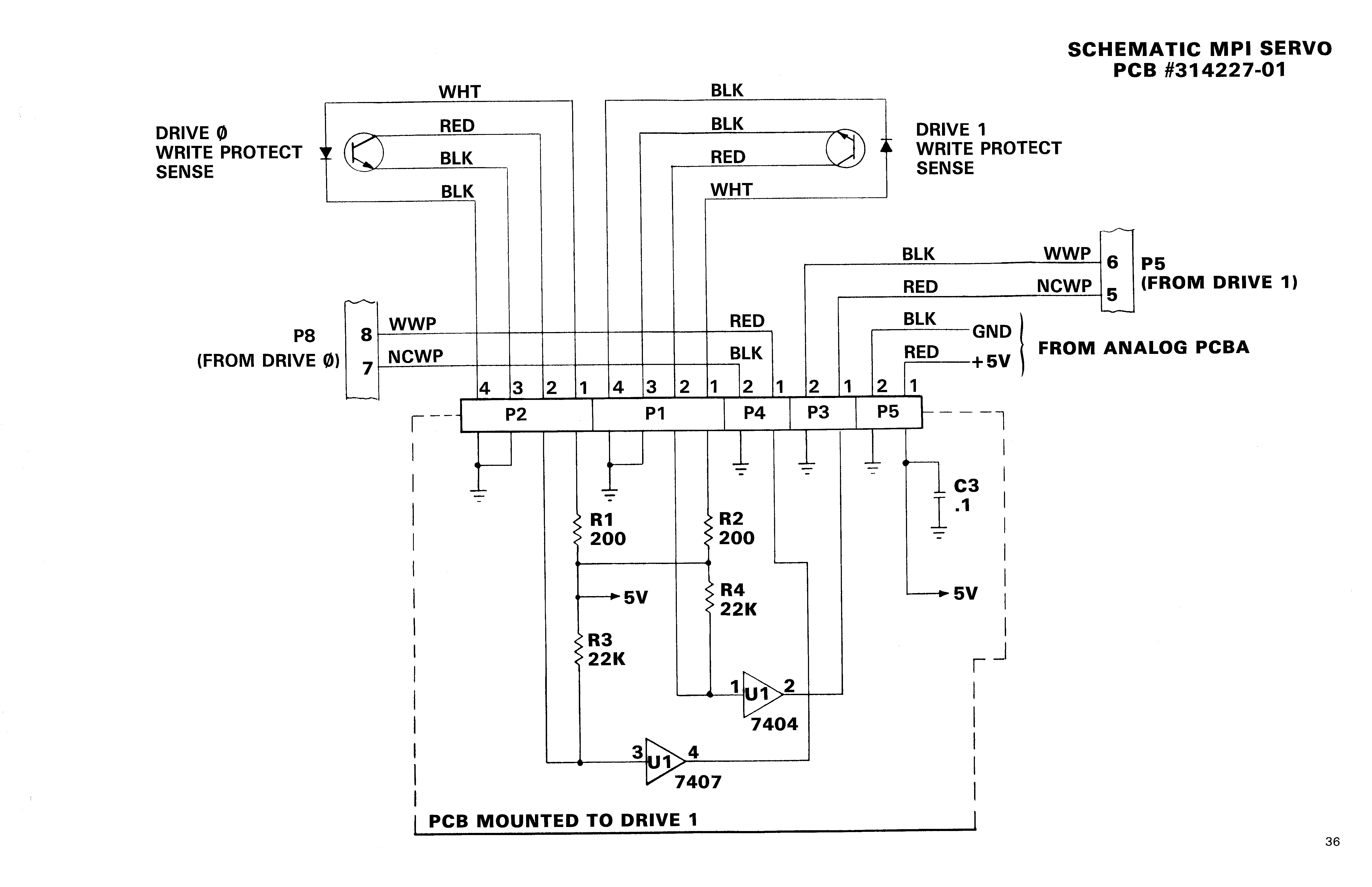
8050-36.gif 2007-06-13 125682
schematic for MPI servo 314227-01

8050_schematics.pdf 2019-11-04 10818683
Schematics and Parts lists -- scanned by Christian Dirks

8050_service_docs.pdf 2020-02-20 2890759
Service docs and schematics for 8050 drive

8250lp.pdf 2015-06-22 150649
8250LP Schematic put together by William Levak

8250lp.txt 2018-02-07 1373
Parts list for 8250lp. Compiled by William Levak

8250lp_schematic.pdf 2019-11-04 14016243
Schematics and Parts lists -- scanned by Christian Dirks

8250LP_SFD-1001_Disk_Drive_Technical_Manual.pdf 2015-06-22 681278
8250LP/SFD-1001 Tech Manual

parts.txt 2020-03-16 1454
8050/8250 parts list, composed by William Levak.

Mirror sitesGeneral informationFile typesData transfer