Zimmers.NET Files (formerly ftp.funet.fi)

/pub/cbm/schematics/computers/vic20/


The VIC-20 and the VIC-20CR

Subdirectories

cartridges@
Commodore VIC-20 cartridges
drives@
Disk drives
firmware@
System firmware

Files

251027l1.gif 1996-05-08 130771
VIC-20CR rev.D (NTSC, new design). Assy number 251027-01.
251027l2.gif 1996-05-08 173902
VIC-20CR rev.D (NTSC, new design). Assy number 251027-01.
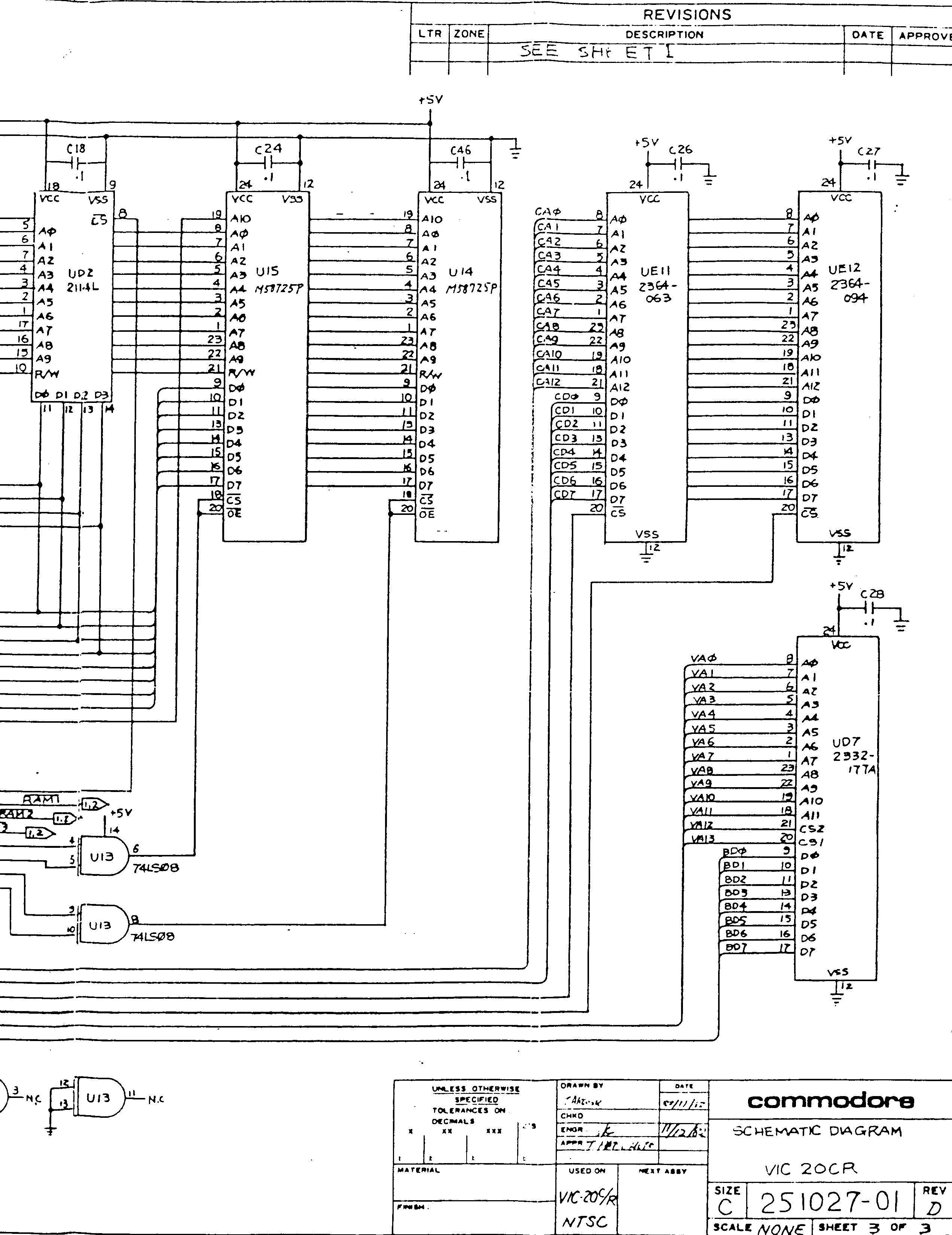
251027l3.gif 1996-05-08 103747
VIC-20CR rev.D (NTSC, new design). Assy number 251027-01.
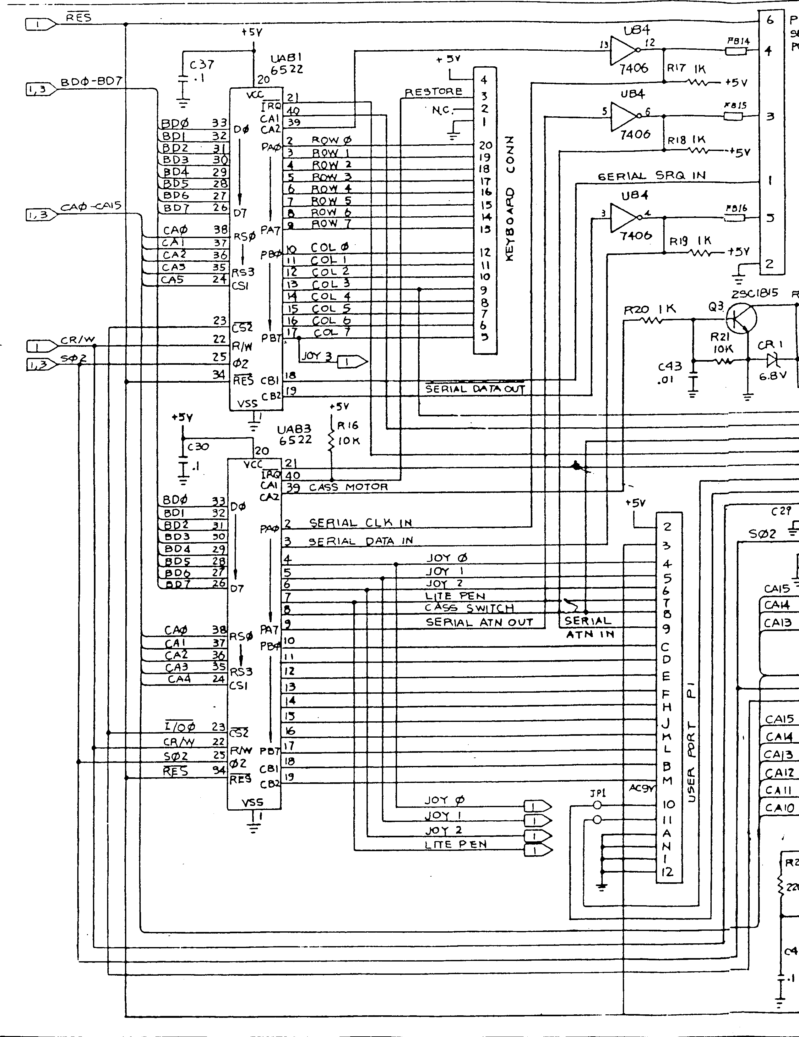
251027r1.gif 1996-05-08 146612
VIC-20CR rev.D (NTSC, new design). Assy number 251027-01.
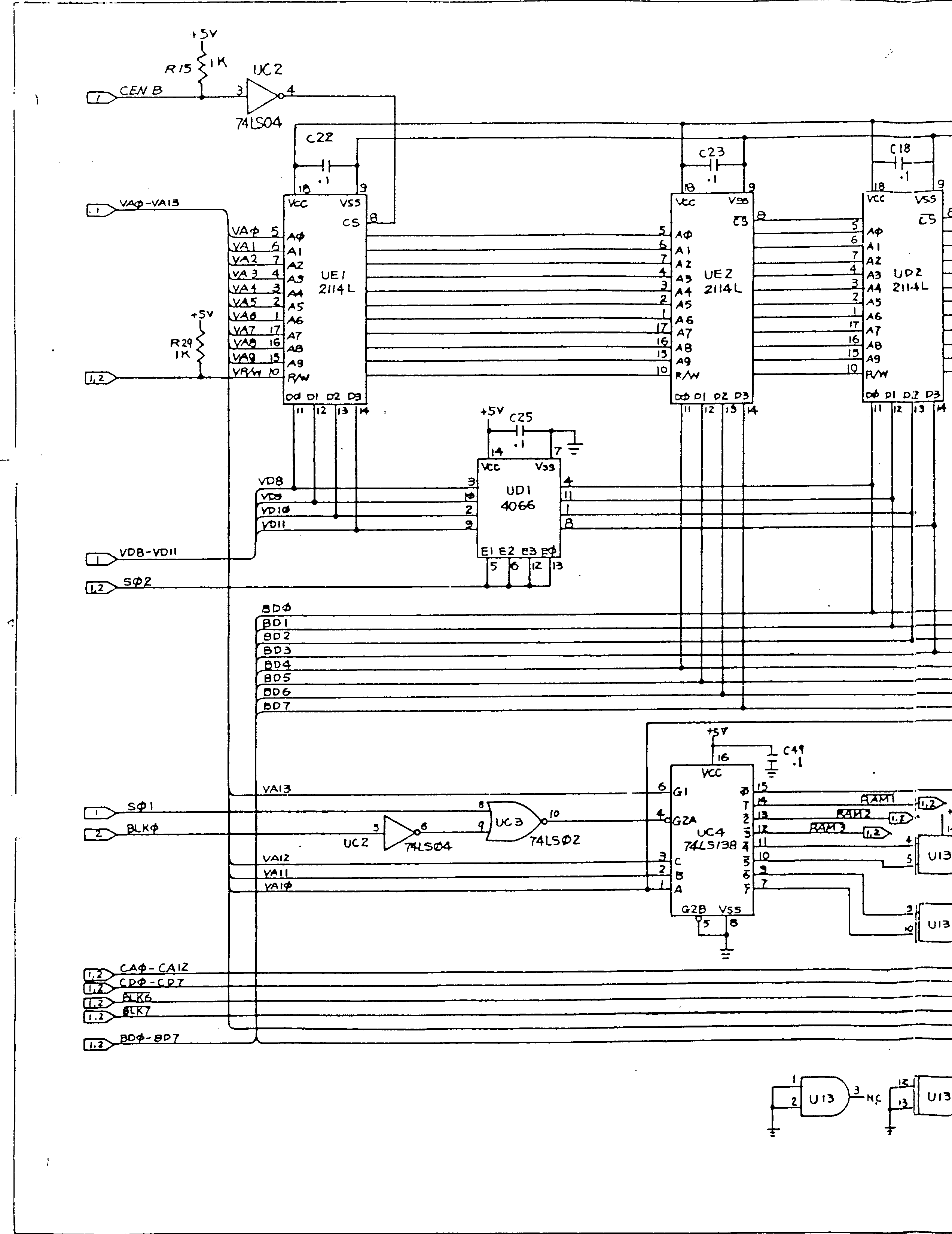
251027r2.gif 1996-05-08 165161
VIC-20CR rev.D (NTSC, new design). Assy number 251027-01.
251027r3.gif 1996-05-08 136724
VIC-20CR rev.D (NTSC, new design). Assy number 251027-01. The PAL model
has a crystal frequency of 4433618 Hz, and there is an extra 56pF capacitor
on the solder side of the board, soldered parallel to R5.

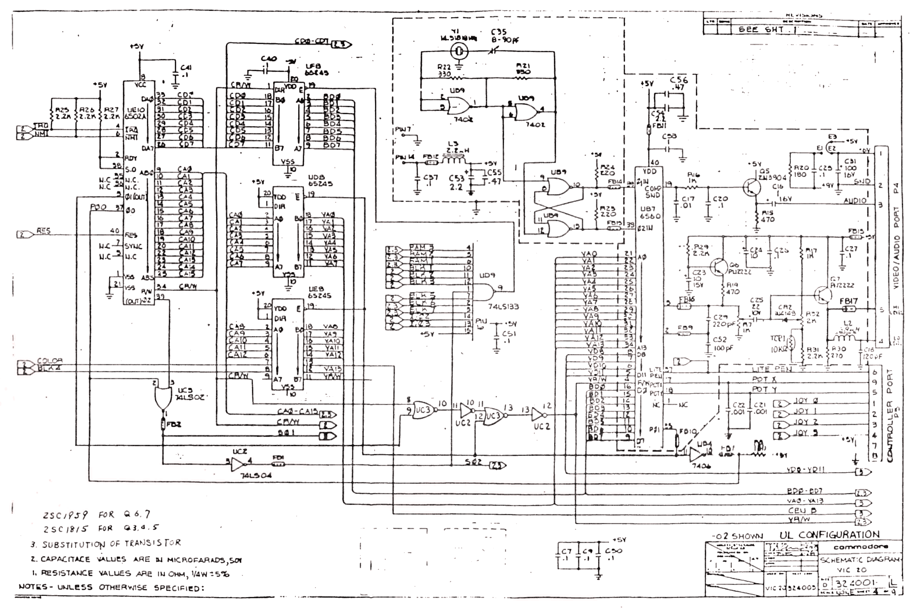
324001-02a.gif 2016-07-20 436819
VIC-20cr NTSC. Assy number 324001-02. Scanned by Francois Leveille.

324001-02b.gif 2016-07-20 460411
VIC-20cr NTSC. Assy number 324001-02. Scanned by Francois Leveille.

324001-02c.gif 2016-07-20 431570
VIC-20cr NTSC. Assy number 324001-02. Scanned by Francois Leveille.

324001_1.gif 1996-05-08 177837
VC-20 rev.B (PAL, old design). Assy number 324001-03. Bad scanning quality.
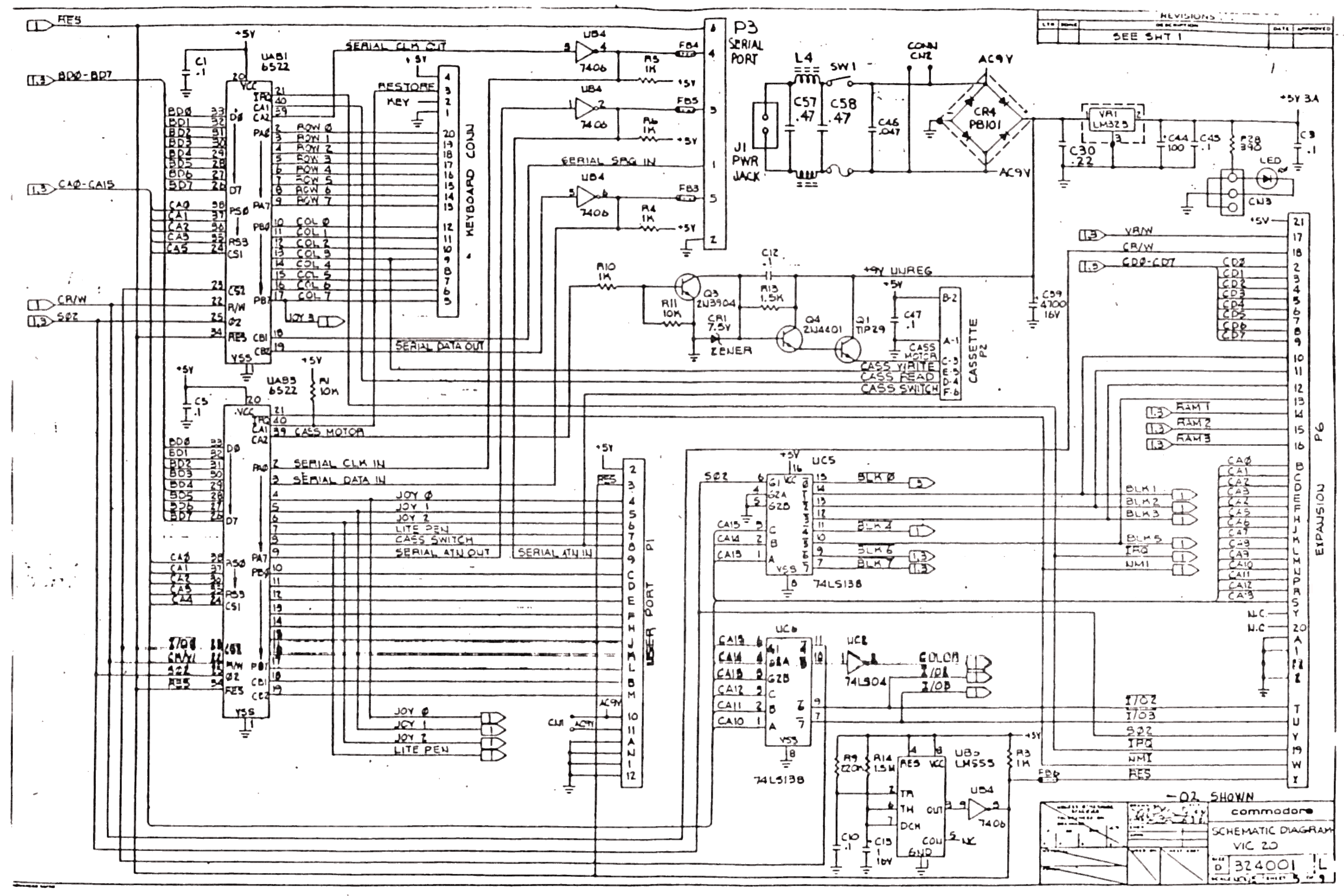
324001_2.gif 1996-05-08 194380
VC-20 rev.B (PAL, old design). Assy number 324001-03. Bad scanning quality.
324001_3.gif 1996-05-08 170958
VC-20 rev.B (PAL, old design). Assy number 324001-03. Bad scanning quality.

Commodore_VIC-1001_schematic.pdf 2021-01-24 1396034
VIC-1001 schematic, scanned by Andy Finkel

mem.gif 2020-06-18 49415
2048k*8 SRAM pinout and general data. VIA pinout.

parts.txt 2015-07-08 810
Parts list for VIC-20 computer, from William Levak

VIC-20 Schematic -Version E.pdf 2021-06-24 920661
Main logic board Version E. Possibly Part No 1001006

VIC-20_The_Friendly_Computer_Technical_Manual_(PN_990440).pdf 2015-06-24 1717192
Tech manual with schematics

vic20-left.tiff 1995-04-23 244980
vic20-middle.tiff 1995-04-23 252038
vic20-right.tiff 1995-04-23 168022
This diagram is scanned from the Commodore VIC-20 Programmer's Reference
guide. It describes an early NTSC motherboard and most probably contains
some errors, like the Commodore 64 schematic from the Commodore 64 PRG
does. Possibly Part No 1001006

vic20bus.gif 1996-05-08 37570
A block diagram of the VIC-20 bus signals.

vic20mod.gif 1996-05-08 111269
The VIC-20 RF modulator (PAL).

VIC20Reloaded-1.1-002_sch.pdf 2022-09-03 559841
VIC-20 Reloaded motherboard schematics

Mirror sitesGeneral informationFile typesData transfer